Test Pressure (Hydrostatic) :
Shell : 35 kg/cm²g (500 psig)
Working Pressure (Steam) : 10.55 kg/cm²g (150 psig)
Maximum Working Temperature : 225°C





| P.No. | Name of Part | Material of Construction | Specification | Quantity |
|---|---|---|---|---|
| 1 | Body | Bronze | IS 318 Gr. LTB 2 | 1 |
| 2 | Body Seat Ring | Stainless Steel | ASTM A276 Type 410 | 1 |
| 3 | Disc | Stainless Steel | ASTM A276 Type 410 | 1 |
| 4 | Bonnet | Bronze | IS 318 Gr. LTB 2 | 1 |
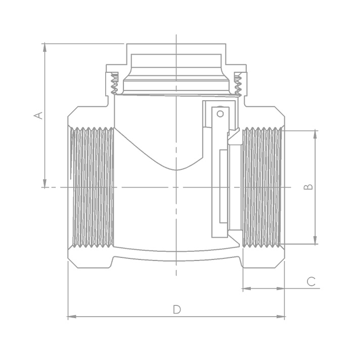
| Size (Inches) | A | B | C | D |
|---|---|---|---|---|
| 1/2" | 29.00 | 1/2" | 10.50 | 44.60 |
| 3/4" | 34.00 | 3/4" | 11.50 | 49.00 |
| 1" | 38.25 | 1" | 12.50 | 57.25 |